



- Обзор
- Характеристики
- Отзывы (0)
- Вопрос-Ответ
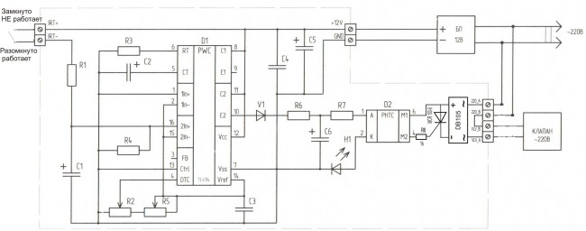
Это несложное электронное устройство довольно широко применяется в автоматизации процессов винокурения. Дозированный и точный отбор спирта при ректификации, подача браги в НБК при первичной дистилляции, регулировка воды охлаждения и так далее. К выходу подключается электромагнитный клапан на 220В ( до 1А ток нагрузки), подается питание 12В - схема начинает работать с периодом примерно 8 секунд, импульс открытия клапана от 0% (клапан полностью закрыт) до 100% (клапан полностью открыт).
| Бренд | Самогон и водка |
| Объём упаковки | 0.00006 м³ |
| Размер упаковки (ДШВ) | 4 × 4 × 4 см |
| Страна происхождения | Россия |
| Вес | 20 г |



















































































































































